
產品中心應用領域
◆ 電信 ◆ 數據互換 ◆ 電力系統 ◆ 計算機系統
產品性能
|
輸入電壓 Vdc |
3-5.5 |
|
遙控特性 (SIP05) |
遙控端接+Vin,禁止輸出 |
|
遙控端懸空或接-Vin,正常工作 |
|
|
遙控特性 (SIP05*) |
遙控端接+Vin,正常工作 |
|
遙控端懸空或接-Vin,禁止輸出 |
|
|
輸出電壓精度 % |
±2 |
|
電壓調節 V |
0.75-3.63 (滿載) |
|
遠傳補償 V |
0.5 |
|
負載調整率 % |
±0.5 |
|
±1.0 |
|
|
電壓調整率 % |
±1.5 (滿載,僅限SIP05) |
|
啟動時間 ms |
10 |
|
動態響應 (過沖/恢復時間) |
±4%Vo/50us |
|
紋波/噪聲(mV) |
120 |
|
環境溫度 |
-40℃ - +85℃ (輔助散熱) |
|
開關頻率KHz |
300 |
|
短路保護 |
長期短路自恢復 |
|
隔離耐壓 |
非隔離 |
|
MTBF |
5×106 |
產品選型
|
型號 |
輸入電壓Vdc |
輸出電壓Vdc |
輸出電流A |
效率% |
容性能力UF |
|
SIP0506 |
3-5.5 |
0.8-3.65 |
6 |
90 @2.5V/6A |
5000 (ESR≥10 mΩ) 1000 (ESR≥1 mΩ) |
外型尺寸

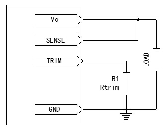
管腳定義
|
管腳 |
1 |
2 |
3 |
4 |
5 |
|
功能 |
+Vo |
TRIM |
GND |
+Vin |
CNT |
|
描述 |
輸出正 |
輸出調節端 |
接地端 |
輸入正 |
遙控端 |

調節電壓標準阻值(KΩ)列表
(推薦采用1%或0.5%的精密電阻)
|
輸出電壓 |
輸入3~5.5V |
輸入10~14V |
|
0.7525 |
OPEN |
OPEN |
|
1.0 |
80.6 |
41.2 |
|
1.2 |
42.2 |
22.6 |
|
1.5 |
23.2 |
13.0 |
|
1.8 |
15 |
9.09 |
|
2.0 |
11.8 |
7.32 |
|
2.5 |
6.98 |
4.99 |
|
3.3 |
3.16 |
3.09 |
|
5.0 |
- |
1.21 |
調節電壓標準阻值(KΩ)列表(推薦采用1%或0.5%的精密電阻)
北京穩固得設計制造AC/DC、DC/DC、DC/AC電源模塊,模塊化開關電源變換器,工程師擁有多年從事電力電子開發經驗。模塊電源產品在技術及品質上具備較強的競爭優勢,廣泛應用于郵電通信設備、基站及用戶電源系統、監控系統、鐵路信號、電力系統、醫療設備、儀器儀表、工業自動化控制及航空航天、軍工等領域。 公司通過了ISO 9001-2008版國際質量體系認證以及GJ B軍工質量體系認證。主流標準系列產品通過了CE、TUV、UL、CB、ROHS等測試認證。請撥打400-800-9005電話,我們將盡快安排專業的人員聯系您。